一.概述
1 开元官方站网页版_开元(中国)是目前世界上较为理想的起重设备。在工业发达国家早已被广泛采用。它具有电动葫芦不可比拟的优点:
。
a 耐酸碱、蒸汽、抗高粉尘。
b 体积小、轻便,重量为电动葫芦的1/3~1/8。
2 正是基于上述优点,开元官方站网页版_开元(中国)可广泛应用于石油、化工、煤矿、纺织、机械生产、船舶、 等领域。
3 型号说明:
产品的型号命名方式如下:
![]()
![]()
![]()
![]()
             
示例:提升高度为3m、额定起重量为10t的开元官方站网页版_开元(中国)表示为:HQ10-3。
二.HQ开元官方站网页版_开元(中国)的构成与功用
(一)其构成

1、带有链轮和过载保护的减速箱;
2、中央部分;上钩、吊挂体、链轮、链条、下钩等部分组成;3、带有制动功能的马达;
4、连接风源的控制部分以及操作阀;5、链条;
6、吊钩组。
(二)功用(主要介绍减速箱、马达、连接风源的控制部分)
1、带有链轮和过载保护的减速箱;包括三级行星减速齿轮组及过截调节两部分。(1)三级行星减速齿轮组:高速马达输入轴通过三级行星减速齿轮减速后输出到链轮,带动链条工作。(2)过截调节:由调整螺丝、压盖、蝶行弹簧和压在初级行星减速齿轮组周内齿轮两侧的铜摩擦片组成。当负载产生的旋转力小于过载摩擦力时,周内齿轮不动从而使开元官方站网页版_开元(中国)工作。当负载产生的旋转力大于过载摩擦力时周内齿轮打滑,开元官方站网页版_开元(中国)不工作。过载摩擦力的调节是通过松(或紧)调整螺丝来调节蝶行弹簧的弹力来实现的,从而起到过截保护作用。
2、带有制动功能的马达:主要包括缸筒、转子、叶片和两端缸盖部分。
(1)、叶轮发动机工作原理。(见附图2)
叶片马达由气缸套1、转子2和两端缸盖三部分组成。转子装在气缸套内,叶片装在转子的槽3内。叶片与缸套内壁及两端缸盖接触,每两个相邻的叶片形成一个腔室6,由于4.1叶片的面积比4.2叶片的面积大,当输入压缩空气时,作用在4.1叶片上的力大于作用在4.2叶片上的力,产生转子扭矩,转子转动。当腔室转到排气口7时,压缩空气被排出。润滑腔8在马达叶片槽之间,它确保在250-500小时的使用中,不断润滑马达。
图中箭头标明了转子的运动方向和空气的相应流动方向。
 
 
2、连接风源的控制部分以及操作阀;通过按动操作阀使主流阀打开,向双向旋转阀腔内进气,在按动操作阀的同时双向旋转阀转动打开阀门向马达气缸进气。风源控制部分的原理。(见下图)。

三、HQ型开元官方站网页版_开元(中国)技术参数表
序号  | 项目  | 
 
 
 
 单位  | HQ6-(3~16)  | HQ10-(3~16)  | HQ16-(3~16)  | HQ20-(3~16)  | ||||||||
0.4 MPa  | 0.5MPa(额定气压)  | 0.6MPa  | 0.4 MPa  | 0.5MPa (额定气压)  | 0.6 MPa  | 0.4 MPa  | 0.5MPa (额定气压)  | 0.6 MPa  | 0.4 MPa  | 0.5MPa(额定气压)  | 0.6 MPa  | |||
1  | 额定起重量  | t  | 5  | 6  | 6  | 8  | 10  | 10  | 14.5  | 16  | 16  | 16  | 20  | 20  | 
2  | 提升速度  | m/min  | 0.4  | 0.5  | 0.63  | 0.3  | 0.4  | 0.5  | 0.3  | 0.5  | 0.7  | 0.3  | 0.5  | 0.7  | 
3  | 下降速度  | m/min  | 1  | 1.1  | 1.2  | 1  | 1.2  | 1.5  | 1  | 1.5  | 1.6  | 1.2  | 1.7  | 1.8  | 
4  | 耗气量  | m3/min  | 3  | 3.3  | 3.8  | 3.5  | 4.3  | 5.3  | 3.8  | 4.3  | 5.5  | 4  | 4.5  | 5.2  | 
四、开元官方站网页版_开元(中国)的动力源
开元官方站网页版_开元(中国)的动力源是压缩空气,为了使开元官方站网页版_开元(中国)正常工作,对压缩空气需满足:
1、压缩空气清洁、干燥,即空气中夹杂的微粒尺寸小于40um,夹杂的微粒数量低于每立方米5克。

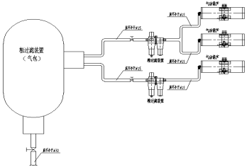
2、为保证开元官方站网页版_开元(中国)压缩空气的质量,保证压缩空气过滤良好,并使开元官方站网页版_开元(中国)供风量满足要求,必需正确连接粗过滤装置和精过滤装置如下图所示:
一般要求开元官方站网页版_开元(中国)进气管不小于DN20,且要求接有过滤装置,一般要求进气管直径比出气管直径大一个以上的规格型号。
3、为了保证供风质量,还需保证粗过滤装置、精过滤装置及连接用的风管本身内部的清洁,为此必须在入井前对粗过滤装置、精过滤装置及连接用的风管进行封口,以免脏物进入其内,下井后还需用风压吹扫干净后方可连接投入使用。还要求定期清扫保证其清洁(要求一月一次)。
五、开元官方站网页版_开元(中国)使用安全注意事项
1、开元官方站网页版_开元(中国)的使用地点应有足够的空间尺寸,环境整洁,没有对操作者造成危险的危险源。
2、开元官方站网页版_开元(中国)吊挂点应牢固可靠,6t开元官方站网页版_开元(中国)吊挂点须不小于2根锚索并用,10t开元官方站网页版_开元(中国)吊挂点须不小于4根锚索并用,20t开元官方站网页版_开元(中国)吊挂点须不小于6根锚索并用。吊挂点需加强顶板支护满起吊安全需要。
3、开元官方站网页版_开元(中国)操作人员需经过培训。熟悉开元官方站网页版_开元(中国)的工作原理、内部结构及有关操作的安全注意事项等。
4、严禁超负荷能力提升、提升卡住的重物、起吊不能控制的外部能量设备(如液压缸、降落的物体)。
5、不容许任何人及其任何部位在吊挂重物下面。
6、在开始提升和拖拽物体时要小心谨慎操作。
7、在起吊工作的情况下,千万不要试图处理起吊过程中出现的问题。
8、在提升、拖拉和降低物体是,确保物体处于稳定状态,避免物体倾倒或落下引起事故。
9、用几个开元官方站网页版_开元(中国)提升一个物体要避免负载不平衡而导致过载。
10、每次决不要提升或拖拉一件以上的物体。
11、风压不要超过工作压力。发生断气,要对重物实施保护。在取下空气管前,要关掉气源。
12、要拧紧松弛的螺栓。
13、及时检查吊钩,不要使用不能活动的、弯曲的、打开的或扭曲变形的吊钩,要及时更换。及时修理损坏的吊钩安全锁。
14、不要用吊钩钩尖部吊重物,只能在吊钩里面最深的地方。
15、不要在连接点处锁住吊钩、不要对吊钩作退火处理。
16、不要阻塞操作按键,不要使用不活动、不灵活的操作按键,应立即修理。
17、只用原始的JDN控制器操作JDN风动葫芦。
18、不要弯曲或挤压控制管。
19、在提升前将重物垂直放在风吊下方,链条应向下垂落。要避免松驰链条的打结,绞结的链条要整理好,检查打结链条是否受损。不要触摸运行的链条。
20、在通常工作情况下,决不要将链条运行到最终位置。
21、开元官方站网页版_开元(中国)被启动而无法运行,检查是否链条受损。
22、不容许修理链条和连接链条(如用螺栓、连接环等)。
23、不要使用损坏的、损伤的、磨损的、生锈的、弯曲的、延伸的链条。
24、不要把负载链条作为提升链条使用。不使用吊链去捆绑提升物体。
故障与排除
问题  | 可能原因  | 处理办法  | 
不能提升  | 压力过低  | 将风压调到规定值  | 
紧急制动被启动  | 排除危险,解除紧急制动  | |
开关出现问题  | 修理开关  | |
提 升 速 度 太 慢  | 制动闸没有完全释放  | 调风压到规定值,必要时更换制动活塞的密封,调整间隙  | 
制动片磨损,或者磨损不对称  | 更换制动片  | |
风管泄漏或接头松动  | 检查风管接头,并将其拧紧  | |
风管截面过小  | 更换大尺寸风管(检测风压)  | |
服务单元被赃物堵住  | 清洗,并想办法改善空气质量  | |
消音器堵塞  | 清洗或更换消音器部分  | |
马达叶片磨损严重  | 更换马达叶片  | |
马达干涩  | 加润滑油、检查油壶  | |
马达控制阀失效  | 维修马达控制阀  | |
安全离合器打滑  | 调整安全离合器  | |
链条磨损造成安全离合打滑  | 更换链条  | |
制动时的过度运转  | 制动闸磨损  | 更换闸片  | 
链轮噪音太大  | 链条缺油、链条磨损  | 润滑/更换新的链条  | 
链轮磨损严重  | 更换链轮,检查链条导块,必要时更换  | |
链条没有安装正确  | 检查链条,必要时更换  | |
提升或下降速度逐渐变慢或趋于停止  | 制动活塞安装过紧  | 在较高温度时调整制动活塞的间隙,同时设备也要加温  | 
易损件明细表
序号  | 名称  | 规格  | 数量  | 备注  | 
1  | 链条  | /  | 1  | |
2  | 链轮  | /  | 1  | |
3  | 叶片  | /  | 6  | |
4  | 滚针轴承  | /  | 12  | |
5  | 向心轴承  | /  | 3  | |
6  | 向心轴承  | /  | 3  | 
产品主要零(元)部件及重要原材料明细表
序号  | 零部件(材料)名称  | 规格型号(材质)  | 生产单位  | 安标证编号(或其它认证编号  | 有效期  | 受控类别  | 备注  | 
1  | RB2-8  | MEE050052  | 2017-1-5  | B  | HQ6-(3~16) HQ10-(3~16) HQ16-(3~16) HQ20-(3~16)  | ||
2  | 马达  | HQ6-QD-00  | 丹阳市永明机械制造有限公司  | /  | /  | D  | HQ6-(3~16)  | 
HQ10-QD-00  | HQ10-(3~16)  | ||||||
HQ16-QD-00  | HQ16-(3~16)  | ||||||
HQ20- QD-00  | HQ20-(3~16)  | ||||||
3  | 减速器  | HQ6-JS-00  | 丹阳市永明机械制造有限公司  | /  | /  | D  | HQ6-(3~16)  | 
HQ10-JS-00  | HQ10-(3~16)  | ||||||
HQ16-JS-00  | HQ16-(3~16)  | ||||||
HQ20- JS -00  | HQ20-(3~16)  | ||||||
4  | 手控阀  | HQ6-WG-01  | 丹阳市永明机械制造有限公司  | /  | /  | D  | HQ6-(3~16)  | 
HQ10-WG-01  | HQ10-(3~16)  | ||||||
HQ16-WG-01  | HQ16-(3~16)  | ||||||
HQ20- WG-01  | HQ20-(3~16)  | 
注:当改变安标配套件时,应选择具有效MA证书的产品。性能参数和整机匹配。
检查维护项目表及其时间间隔表
序号  | 检查维护项目  | 时间间隔表  | 
1  | 检查控制器  | 每天  | 
2  | 检查刹车  | 每天  | 
3  | 测试过载保护开关  | 每天  | 
4  | 测试紧急制动开关  | 每天  | 
5  | 检查链条、润滑链条  | 检查链条每3个月,需要时润滑链条  | 
6  | 在腐蚀环境下链条需要更换  | 最少5年  | 
7  | 检查链轮和导链  | 每次更换链条时  | 
8  | 检查刹车磨损  | 每运行250小时或至少每年一次  | 
9  | 检查螺栓松紧  | 每运行250小时或至少每年一次  | 
10  | 检查挂钩(含承重部分和被悬挂部分)  | 每运行250小时或至少每年一次  | 
11  | 检查风动马达、更换马达润滑剂  | 每运行250小时或至少每年一次  | 
12  | 检查润滑起重钩轴承和链轮轴承  | 起重钩最大轴向公差为:2.5mm  | 
13  | 检查消音器  | 每运行250小时或至少每年一次  | 
14  | 检查过载保护  | 每年一次  | 
15  | 检查传动装置、更换润滑油  | 每运行800小时或至少每5年一次  | 
16  | 检查联轴器和离合器  | 每运行250小时或至少每年一次  | 
17  | 检查气路是否损坏  | 每年一次  | 
18  | 检查缓冲器  | 至少每年一次  | 
19  | 检查辅助装置  | 每运行250小时或至少每年一次  | 
![丹阳市永明机械制造有限公司[官网]](res/202010/18/48d473cb33be3185.png)


 客服小薇
 客服2